什么是 CAN 总线?
控制器局域网络 (CAN) 最初是针对汽车应用而设计的总线结构,但是,它也在其他领域找到用武之地。CAN 总线是基于不同类型电缆(取决于具体应用)的均衡(差分)双线接口。此标准规定了几种不同的数据速率,1 Mb/s 为 CAN 的最快速率。最新版本的 CAN FD(灵活数据速率)已经将传输速度提升至 10 Mb/s,同时还提高了数据包有效载荷数据字段的最大长度。为了保持信号质量,总线需要在电缆的两端使用 120Ω 终端电阻,以确保阻抗匹配。
自 1980 年代推出以来,CAN 总线一直用于在电子控制单元 (ECU) 之间以及与车辆传感器之间传输数据。
近年来,汽车中产生、传输和接收的数据量大大增加,未来将会延续这一趋势。如今,许多汽车都包含 80 多个电子控制单元 (ECU),它们通过不同的总线网络连接起来。未来几年,我们预计这一数字将超过 100 个,因为一些豪华汽车使用的 ECU 数量已达 150 个之多。
汽车子系统之间集成度的提高,意味着除了处理传感器和执行器的信号之外,还有许多 ECU 同时在更多的串行总线上通信。例如,ECU 采用 CAN(用于关键系统)和 LIN(用于优先级较低的控件,例如车窗和后视镜)通信极为常见。
使用 CAN 总线解码器和其他工具进行故障排除
由于驾驶员的安全依赖于这些系统的正常通信,因此确保 CAN 总线配置正确至关重要。幸运的是,当您有了合适的 CAN 总线解码工具,例如混合信号示波器,CAN 总线解码和 CAN 总线故障排除就变得很容易。在这个简短的指南中,我们将介绍故障排除技巧和快速完成排障任务所需的工具。
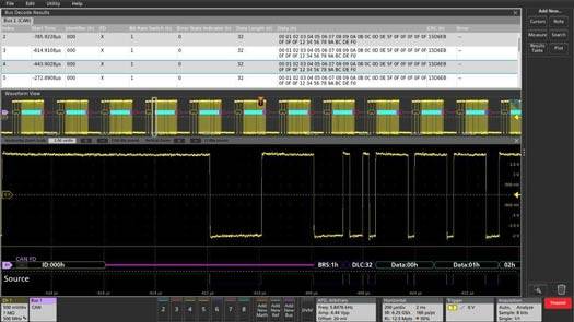
CAN 总线解码、触发和搜索

通道 1 上的 CAN FD 信号被解码并显示为总线波形(底部)和事件表(顶部)。
调试解码的 CAN 总线协议
对串行总线协议手动解码非常耗时,并且很容易出错。泰克的汽车总线解码和触发包针对 CAN、CAN FD、LIN 和 FlexRay 等常用 ECU 总线提供直观的自动解码和触发功能。
排除信号故障
CAN 总线协议解码只是排障工作的开始。如果总线不工作,或者更糟糕的是总线时断时续、超出总线流量以及出现信号完整性问题,则需要对问题进行解决。
通常,这些问题源于物理层的信号完整性问题(例如,串扰、噪声和终端不正确),通过波形分析即可有效地发现它们。
示波器 供工程师检查模拟总线波形来评估信号质量和噪声,并研究多个信号来发现相互影响和串扰问题。

CAN 总线需要 120 Ω 终端电阻。无终端电阻的总线将导致信号质量差(针对上行信号)。

ECU 通过 CAN、LIN 及其他总线进行通信,并与传感器和执行器直接通信。
显示多个通道/传感器/执行器
由于多总线、多传感器/执行器系统比较复杂,通常难以总体了解工作环境。
大多数泰克示波器可供用户同时查看多条总线和多个控制信号。混合信号示波器支持使用数字通道进行总线解码,从而释放模拟通道以便评估其他信号质量。凭借更多的通道数量、FlexChannel 输入和大尺寸高清显示,5 系列 MSO 尤其适合查看复杂的 ECU。