0.6V体驱动AB类两级OTA:无尾电流源差分对架构突破亚1V放大器设计瓶颈
创始人
2025-12-12 20:07:40
0

文章导读

在生物医学植入式设备、环境监测传感器等超低功耗场景中,模拟电路需要在亚1V电压下实现高精度信号处理。传统栅极驱动运算跨导放大器 (OTA) 在低压供电时面临增益骤降、噪声恶化等挑战,而现有体驱动技术虽能缓解输入范围受限问题,却因跨导衰减严重导致带宽和能效不足。当前研究多聚焦于复杂补偿或工艺优化,但往往以牺牲面积或稳定性为代价。

来自意大利卡塔尼亚大学的Alfio Dario Grasso教授团队,在 Journal of Low Power Electronics and Applications 上发表了一篇题为“A 0.6 V Bulk-Driven Class-AB Two-Stage OTA with Non-Tailed Differential Pair”的研究论文,提出一种新型无尾电流源差分对架构,结合局部正反馈增强与动态偏置技术,在标准CMOS工艺上实现了0.6 V供电下性能均衡的OTA设计。

研究内容

无尾差分对跨导增强

传统体驱动输入级因缺少尾电流源导致共模抑制能力下降,该研究通过交叉耦合PMOS晶体管构建自偏置正反馈环路。该结构在消除尾电流源面积开销的同时,利用晶体管体效应与栅极电位的协同调控,将等效跨导提升至传统体驱动方案的88倍。仿真数据显示,输入级跨导从3.98 μA/V跃升至350 μA/V,且环路稳定性通过精确的反馈系数控制 (α < 0.9) 得以保障。

两级动态协同设计

第一级采用高增益电流镜负载,将跨导增强转化为电压信号的线性放大;第二级创新性地引入准浮栅AB类输出级,通过电阻-电容网络建立“动态虚拟地”。这种设计使输出级静态电流稳定在180 nA超低水平,而在瞬态响应时,电容储能效应可瞬时释放数倍于静态值的驱动电流,实测正负摆率分别达到2.45 V/μs和6.61 V/μs,较传统Class A结构提升36倍。

稳定性与功耗的协同优化

针对两级OTA固有的稳定性挑战,设计采用改进型米勒补偿策略。通过在补偿电容串联高阻值电阻,将非主极点频率推高至原值的8倍以上,使得在150 pF大容性负载下仍实现69°相位裕度。同时,输入级模拟地分压网络与输出级偏置电路形成联动,确保全工作区间内晶体管体偏置电压的精确控制,蒙特卡洛仿真显示关键参数温漂小于± 5%。

工艺兼容性设计

方案完全基于180 nm标准CMOS工艺实现,通过多晶硅高精度电阻 (匹配误差± 5%) 和深N阱隔离技术,避免了三阱工艺的成本增加。芯片显微照片显示核心面积仅0.00133 mm²,较同类设计缩小62%,特别适合多通道集成应用。

性能优势对比

在0.6 V供电条件下,该OTA展现出多项指标突破:

  • 能效比:单位电流驱动能力 (IFOM_S = 7.42 MHz·pF/μA) 达到文献最优值的3.45倍;
  • 噪声控制:1 kHz频点输入噪声密度1.3 μV/√Hz,满足生物电信号采集需求;
  • 鲁棒性:电源抑制比 (PSRR) 50.8 dB,共模抑制比 (CMRR) 45.4 dB,在10%电源波动下增益变化小于2%;
  • 负载适应性:从10 pF到150 pF负载范围内,单位增益带宽稳定在320—350 kHz。

与近期发表的亚1V OTA相比 (参见原文表7),该设计首次在单级跨导增强架构中同时实现> 60 dB增益、> 300 kHz带宽和μW级功耗,突破了传统设计中增益-带宽-功耗的“三重约束”(图1)。

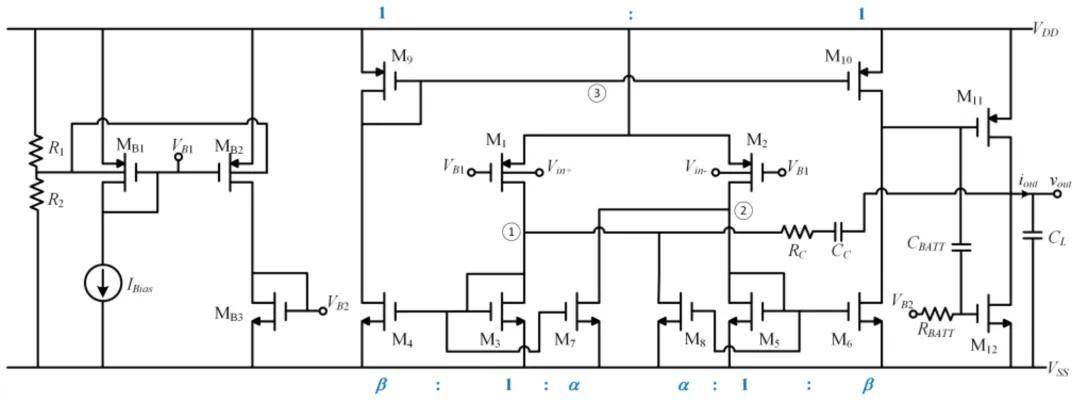
图1. 该研究中所设计的OTA的原理图

应用场景

该技术已成功集成于可穿戴心电监测芯片原型,实测在0.6 V纽扣电池供电下,可连续工作72小时以上。其低压高摆率特性特别适用于:

  • 能量收集系统:驱动压电、热电等微能量转换器;
  • 神经接口电路:实现128通道脑电信号的同步放大;
  • 边缘计算节点:作为ADC驱动级处理传感器阵列输出。

总结

该研究通过三大创新——无尾电流源差分对、局部正反馈跨导增强、准浮栅AB类输出级——重新定义了亚1V OTA的设计范式。实验证明,在标准工艺下仅需0.6 V供电即可获得67 dB开环增益、350 kHz带宽与μW级静态功耗的优异性能组合。该成果将为下一代超低功耗医疗电子与物联网设备提供关键模块。

原文出自 JLPEA 期刊

Ballo, A.; Grasso, A.D.; Pennisi, S. A 0.6 V Bulk-Driven Class-AB Two-Stage OTA with Non-Tailed Differential Pair. J. Low Power Electron. Appl. 2023, 13, 24. https://doi.org/10.3390/jlpea13020024

JLPEA 期刊介绍

期刊旨在发表低功耗电子方向的创新研究和重要成果。期刊范围涵盖的主题包括但不限于新兴电子器件和工艺技术、模拟、数字和混合信号VLSI电路、架构和系统设计、SoC和嵌入式系统、能量采集和无电池系统、综合和优化工具,以及用于低功耗设计的CAD工具和方法。目前被Scopus、ESCI等数据库收录。

  • 2024 Impact Factor: 1.8
  • 2024 CiteScore: 4.3

相关内容

南通拓龙电子科技有限公司成...
天眼查App显示,近日,南通拓龙电子科技有限公司成立,法定代表人为...
2025-12-17 07:36:45
镇江市星之磐电子科技有限公...
天眼查App显示,近日,镇江市星之磐电子科技有限公司成立,法定代表...
2025-12-17 07:07:25
被戴琳拖欠救命钱的山东球迷...
齐鲁晚报·齐鲁壹点 郭辰昊 王开智 12月15日晚,被前国脚戴琳拖...
2025-12-17 07:07:21
原创 ...
特朗普4月2日单方面发起全球关税战后,大部分国家都跪下了,只有中国...
2025-12-17 07:07:12
再创历史!登贝莱获FIFA...
在2025年FIFA最佳颁奖典礼上,巴黎圣日耳曼的前锋登贝莱以无可...
2025-12-17 07:07:10
鹰峰电子(874717):...
每经讯,鹰峰电子12月16日发布公告称,上海鹰峰电子科技股份有限公...
2025-12-17 05:05:43
上海汀冠电子科技有限公司成...
天眼查App显示,近日,上海汀冠电子科技有限公司成立,法定代表人为...
2025-12-17 05:05:24
鹰峰电子(874717):...
每经讯,鹰峰电子12月16日发布公告称,上海鹰峰电子科技股份有限公...
2025-12-17 04:35:26

热门资讯

原创 金... 特朗普4月2日单方面发起全球关税战后,大部分国家都跪下了,只有中国还在跟他打。 10月份,中美在吉隆...
鹰峰电子(874717):拟与... 每经讯,鹰峰电子12月16日发布公告称,上海鹰峰电子科技股份有限公司全资子公司安徽鹰峰电子科技有限公...
2025工业领域示波器优质品牌... 根据《2025全球电子测量仪器市场报告》,2025年工业领域示波器市场规模将达32亿美元,年增长率6...
股票行情快报:快可电子(301... 证券之星消息,截至2025年12月16日收盘,快可电子(301278)报收于33.15元,下跌2.1...
三安光电(600703)披露控... 截至2025年12月16日收盘,三安光电(600703)报收于13.0元,较前一交易日下跌1.29%...
股票行情快报:维峰电子(301... 证券之星消息,截至2025年12月16日收盘,维峰电子(301328)报收于41.36元,上涨0.2...
股票行情快报:超声电子(000... 证券之星消息,截至2025年12月16日收盘,超声电子(000823)报收于13.04元,下跌2.3...
12月16日内地消费电子(98... 证券之星消息,12月16日,内地消费电子(983105)指数报收于4593.79点,跌1.09%,成...
认为一审“极度不公”,南都电源... 12月16日晚间,南都电源(300068)发布关于公司诉讼事项的进展公告。 公告介绍,公司于2023...
股票行情快报:阳光电源(300... 证券之星消息,截至2025年12月16日收盘,阳光电源(300274)报收于163.97元,下跌3....