近日,MPS芯源系统发布车规级薄膜晶体管液晶显示器(TFT LCD)偏压驱动器 ——MPQ5613D-AEC1。该产品通过了AEC-Q100 Grade 1可靠性认证,可广泛适用于汽车TFT LCD型仪表盘、中控台、抬头显示(HUD)等多种显示屏应用场景。
随着汽车智能化的飞速发展,车载显示行业也呈现出快速增长趋势。TFT LCD显示屏作为主流技术,在汽车显示屏应用中占比超过90%。MPQ5613D-AEC1作为一款专为汽车TFT LCD设计的偏压驱动器,集成了4路输出、VCOM缓冲器和栅极电压整形等功能。

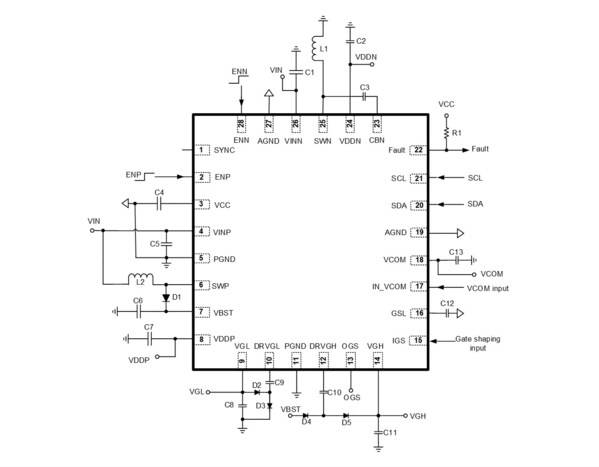
MPQ5613D-AEC1 典型应用图
MPQ5613D-AEC1输入电压支持2.7 – 12V, 4路输出模块和VCOM缓冲器均支持电压可调,升压和升降压模块输出电流最大可支持500mA,正向和负向电荷泵模块输出电流可达50mA,VCOM缓冲器输出电流可达25mA。其升压模块支持2.7V到 21.8V宽输出电压范围可调,升降压模块支持-0.7V到 -16.6V宽输出电压范围可调,可驱动更大尺寸面板。
适配应用场景丰富
除了支持6档可调的开关频率(最大3MHz)外,MPQ5613D-AEC1同样提供扩频功能、支持升压和升降压模块频率同步和错相(180º)控制方式,可以最大程度减小EMI。通过I2C 通讯接口任意配置VDDP, VDDN, VGH and VGL的上下电时序,MPQ5613D-AEC1可适配不同的应用场景。
保障设备稳定运行
MPQ5613D-AEC1强大的保护功能可保证设备的安全运行,具体功能包括输入欠压锁定 (UVLO) 保护、SWP/SWN 逐周期限流保护、过温保护 (OTP)、VDDP/VDDN/VGH/VGL 欠压保护 (UVP)、VCOM 输出过流保护 (OCP) 以及VDDP输出限流保护。
小封装的集成设计
在集成VCOM缓冲器和栅极电压整形功能的基础上,MPQ5613D-AEC1采用QFN (4mm x 5mm) 小封装设计,可极大程度减小PCB面积并最大限度减少外部元器件的使用,从而节省BOM成本。

MPQ5613D-AEC1 封装参考图
针对汽车TFT LCD型仪表,中控,HUD等显示屏应用,MPS还提供全局调光、分区调光等多种背光解决方案以满足客户的不同需求。

MPS全局调光背光驱动产品
MPS Local Dimming背光驱动产品
产品购买与技术支持
如对上述方案感兴趣,MPS可为您提供MPQ5613D-AEC1的产品数据手册、评估演示板等丰富技术资源支持。同时,如有其他解决方案需求,也欢迎访问咨询更多产品详情。
MPS公司简介
Monolithic Power Systems, Inc. (MPS) 是一家全球领先的半导体公司,专注于基于芯片的高性能电源解决方案。MPS的使命是减少能源和材料消耗,从各方面改善生活质量。公司于1997年由CEO Michael Hsing成立,拥有三大核心优势:深厚的系统级知识、卓越而专业的半导体设计能力、专有的半导体工艺、系统集成技术及创新能力。这些综合优势使MPS能够为客户提供可靠、紧凑和单片集成的解决方案,使其产品更节能、更经济,同时也为我们的股东带来持续的投资回报。