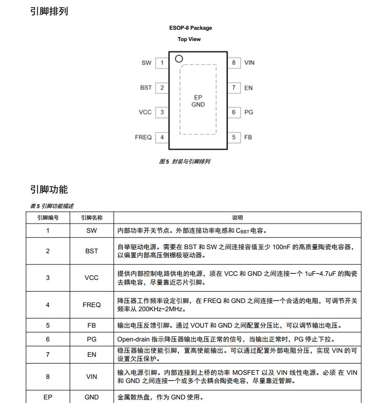
概述:
PC5160 是一款带内部开关的降压 DC/DC 稳压器,具备 SKIP 控制模式,将低静态电流与高开关频率相结合,可在广泛的负载电流范围内实现高效率的稳压。SKIP 模 式 使 用 短 的 “ 突 发 ” 周 期 通 过 内 部 功 率MOSFET 切换电感电流,然后是休眠周期,在休眠周期中,电源开关关闭,负载电流由输出电容器提供。在轻负载时,突发周期占总周期时间的一小部分,使平均电源电流最小化,大大提高了轻负载时的效率。PC5160 具有 4V-60V 的宽输入电压范围,从而最大限度地减少对外部浪涌抑制组件的需求。使其成为宽输入电源范围工业和高电池节数电池组应用的理想选择。PC5160 具有低阻值 130mΩ高侧和 95mΩ低侧功率管,可提供至少 3A 的输出电流能力,具有出色的负载和线路瞬态响应。PC5160 可应用于多种应用中,以有效地调节更高的电压。此稳压器非常适合 48V 电源总线范围。附加功能包括:软启动,热关机,UVLO 欠压锁定,最大占空比限制定时器,和智能电流限制关闭定时器。井且集成了输出短路保护,在 FB 电压较低 时提 供HICCUP 模式以避免短路时过热。

特性:
■ 输入电压范围:4V-60V
■ 输出电压范围:1V-VIN
■ 集成上下功率管,最大输出电流 3A
■ 工作频率可配置:200KHz~2MHz
■ CCM/DCM/PFM模式自适应切换
■ 提供接近 100%占空比的超低输入输出压差
■ 内部环路补偿,简化系统设计
■ 电源正常指示
■ 支持大负载电容启动
■ 保护功能:UVLO/OCP/SCP/OTP
■ 结温范围为-40℃至+125℃
■ 所有端口都具备±2000V(HBM)ESD保护
■ 提供增强散热 ESOP-8封装

应用:
■ 工控系统电源
■ 宽电压输入范围电源
■ 低纹波低噪声电源