应聘电工,电工主管面试最爱考的3张电路图~
创始人
2026-01-27 13:30:20
0

应聘电工,免不了要面试。电气主管往往为了考察你的电工基本知识,会你画张简单的电路图。

这三张图,是很多电工主管面试电工最喜欢考的:

一、自锁控制电路

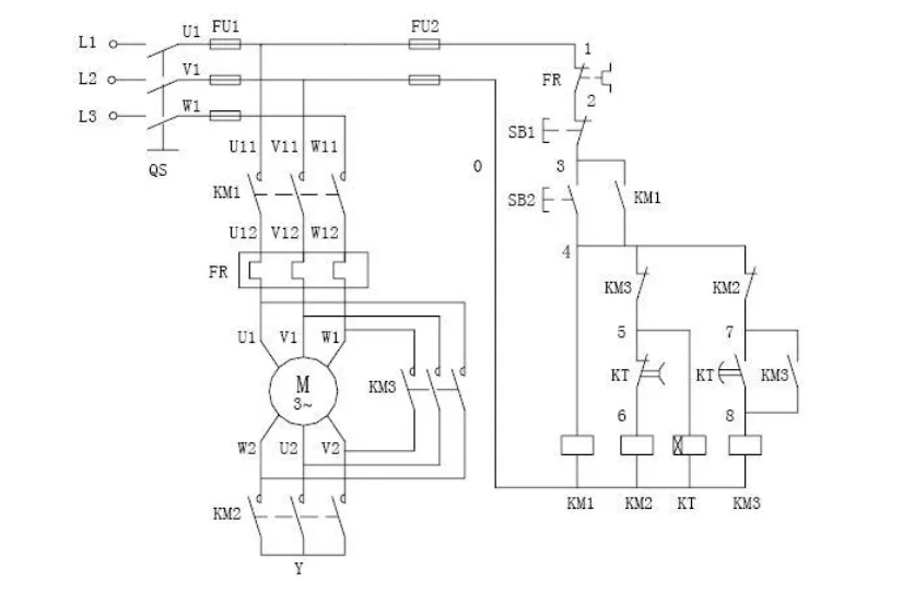
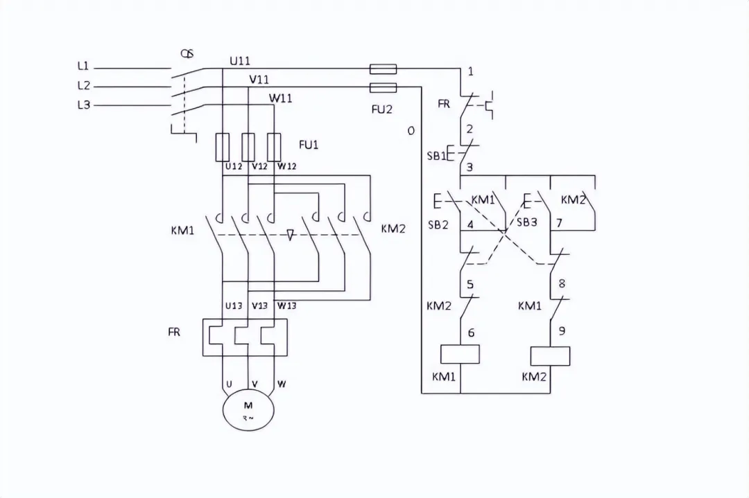
二、电机正反转控制电路

三、星三角降压启动

会画这三张图,还能讲明白它的控制过程,恭喜你,工作有望了!

声明

本号所刊发文章仅为学习交流之用,无商业用途,向原作者致敬。因某些文章转载多次无法找到原作者在此致歉,若有侵权请联系小编,我们将及时删文或者付费转载并注明出处,感谢您的支持!

相关内容

原创 ...
凛冬京城,寒意更甚往年。2026年1月14日晚十点五十五分,当聂卫...
2026-01-27 15:22:11
“2025冠军公‘益’行—...
11月4日,由重庆市体育局指导,重庆体育基金会与九龙坡区文化和旅游...
2026-01-27 15:21:39
机器人机器狗、通讯系统、应...
在科技飞速发展的今天,超级电容作为一种关键的储能设备,在机器人机器...
2026-01-27 15:21:15
小瑞知多D丨一度电从电池到...
引言 你有没有想过,家里用的那一度电,也要像快递一样支付“配送...
2026-01-27 15:20:07
美光科技:计划在新加坡投资...
【1月27日美光科技计划在新加坡投资240亿美元建NAND芯片工厂...
2026-01-27 15:18:38

热门资讯

“2025冠军公‘益’行——围... 11月4日,由重庆市体育局指导,重庆体育基金会与九龙坡区文化和旅游发展委员会(体育局)联合主办的“2...
西安中科光电取得智能装配机器人... 国家知识产权局信息显示,西安中科光电精密工程有限公司取得一项名为“一种智能装配机器人装配控制方法及控...
光明乳业跌0.37%,成交额1... 来源:新浪证券-红岸工作室 1月14日,光明乳业跌0.37%,成交额1.29亿元,换手率1.15%,...
电子城预计2025年度亏损14... 来源:观点地产网 观点网讯:1月19日,电子城发布2025年年度业绩预亏公告。 公告显示,公司预计2...
原创 聂... 你们都是从什么时候开始,知道聂卫平的? 是传奇般的“11连胜”,还是中日对抗赛上,“以一敌五”的壮举...
瑞士达沃斯论坛将启幕,特朗普与... 来源:北京日报客户端 一年一度的世界经济论坛年会将于1月19日至23日在瑞士达沃斯举行。创纪录的65...