SVR-4000KVA线路调压稳压器的介绍
创始人
2026-03-02 17:45:59
0

SVR-4000KVA线路调压器介绍

浙江仁耀电气的SVR线路调压稳压器是一种串联安装在10kV配电线路中的自动电压调节装置,用于实时补偿线路电压偏差,解决长距离供电或负荷波动导致的末端电压越限问题。它通过有载分接开关自动调整变压器变比,实时补偿线路电压波动,确保用户端电压稳定在合格范围内(通常为额定电压的±7%)。该设备可串联安装于6kV-35kV线路中后端或主变无调压能力的变电站出线侧,典型应用包括农网改造、矿区及小水电并网区域。(技术咨询:183+5795+0216

SVR-4000KVA线路调压器

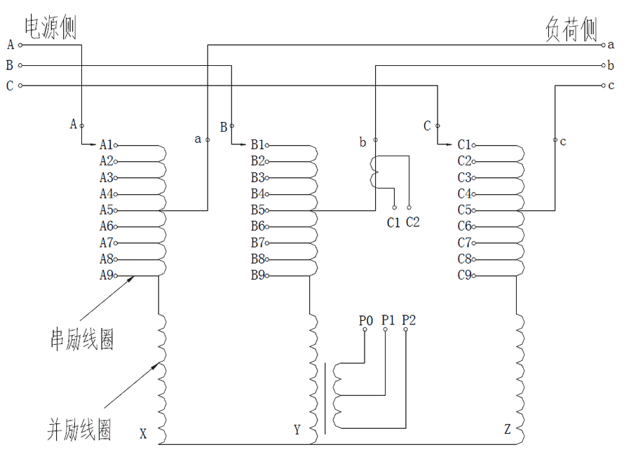
SVR线路调压器工作原理

SVR线路自动调压器共有三部分构成:自耦变压器、有载分接开关和自动控制器。

自耦变压器

自耦变压器的整个线圈分为串励线圈、并励线圈,控制线圈。其中,串励线圈是一个有多个抽头的绕组,这些抽头通过有载分接开关的不同接点串联在输入输出之间,改变分接位置,从而改变自耦变压器变比,达到调整电压的目的;并励线圈为自耦变压器的公共绕组,产生传递能量的磁场; 控制线圈为控制器提供工作电源和采样信号。

有载分接开关

在自动调压器中,串联绕组的抽头接在有载分接开关的不同接点上,可以通过转换接点调节变压器变比来改变其输出电压。考虑有载分接开关寿命和用户调压精度要求,一般常用的有载分接开关的档位为7、9 档两种。

自动控制器

它主要由单片机控制芯片、显示电路、按键电路、电压采样、电流采样、状态输入、通讯端口、控制输出电路、数据存储等电路组成,应用了计算机技术、电子技术、采用军品级控制芯片、可靠性高,抗干扰能力强可适应户外恶劣环境。它采P0-P1-P2 电压信号和C1,C2 电流信号然后与程序里的设定值进行比较:超出设定值上限,发出指令控制有载分接开关上调;超出设定值下限,发出控制有载分接开关下调指令,进行调压操作。

SVR线路调压器工作原理

SVR线路调压器常见容量规格

SVR线路调压器的常见容量规格主要集中在SVR-500KVA至SVR-10000KVA之间,适用于6kV、10kV和35kV等配电电压等级,其中10kV系统应用最为广泛。根据实际工程需求,典型额定容量包括SVR-630KVA、SVR-1250KVA、SVR-2000KVA、SVR-2500KVA、SVR-3150KVA、SVR-4000KVA、SVR-5000KVA、SVR-6300KVA、SVR-8000KVA和SVR-10000KVA等标准规格。

中小型容量(SVR-500KVA至SVR-2500KVA)

适用于农村配电网、轻工业负荷或局部线路电压治理,具有安装灵活、成本较低的优势。

中大型容量(SVR-3150KVA至SVR-6300KVA)

常用于重负荷工业线路、矿区供电或长距离输电末端,可有效解决“低电压、大压降”问题。

大容量规格(SVR-8000KVA至SVR-10000KVA)

适用于高负荷密度区域或主干线路电压支撑,部分产品可定制调压范围和通讯功能。

SVR-4000KVA线路调压器的技术指标

SVR线路调压器的主要技术指标

相关内容

拆解鑫谷750WATX3....
2026-03-02 19:11:37
前华为海思老兵造AI芯片,...
瑞财经 吴文婷近日,据临芯投资发布,端侧AI芯片设计公司——上海为...
2026-03-02 19:11:24
积极心态能激活大脑“免疫开...
参考消息网3月2日报道据英国《经济学人》周刊网站近日报道,患者的主...
2026-03-02 19:10:51
浩纳光电完成超亿元B轮融资...
瑞财经 王敏 2月27日,据大璞资本官微消息,江苏浩纳光电股份有限...
2026-03-02 19:10:48
佳先股份:控股子公司英特美...
佳先股份公告,控股子公司安徽英特美科技有限公司(简称“英特美”)年...
2026-03-02 19:10:45
半导体设备龙头突感寒意,盛...
来源|时代商业研究院 作者|孙华秋 编辑|韩迅 2月26日晚,盛美...
2026-03-02 18:41:16
利通电子斩获2连板 沪股通...
利通电子股价表现活跃,近期市场关注度提升。根据最新披露的龙虎榜数据...
2026-03-02 18:41:10
瑜欣电子:2月27日召开董...
每经AI快讯,瑜欣电子3月2日晚间发布公告称,公司第四届第十一次董...
2026-03-02 18:41:07
南都电源股东朱保义质押76...
3月2日,南都电源(300068)发布公告,股东朱保义将其持有的7...
2026-03-02 18:14:35

热门资讯

首款2nm芯片成了!Exyno... 快科技3月2日消息,为了深入测试三星自研芯片Exynos 2600的发热表现,有博主在最高画质下针对...
中航光电(002179)2月2... 证券之星消息,近日中航光电披露,截至2026年2月27日公司股东户数为18.06万户,较2月13日增...
2026年冰箱嵌入式推荐:如何... 嵌入式冰箱近年来逐渐成为家居设计中不可忽视的元素,尤其是在追求厨房空间与美学一体化的家庭中。它们不仅...
SVR-4000KVA线路调压... SVR-4000KVA线路调压器介绍 浙江仁耀电气的SVR线路调压稳压器是一种串联安装在10kV配...
国产芯片板块3月2日跌0.76... 证券之星消息,3月2日国产芯片板块较上一交易日下跌0.76%,燕东微领跌。当日上证指数报收于4182...
清溢光电(688138.SH)... 格隆汇3月2日丨清溢光电(688138.SH)公布,公司核心技术人员洪志华先生近日因个人原因申请辞去...
物流人必看!2025年1-12... 《物流科技月刊》由专业物流科技资讯门户网经社物流科技台出品,面向物流科技从业者的精品内容产品。每月以...
长按1秒一键开关机专用芯片 单... 在工业控制领域,BC55带检测电子开关&复位开关芯片以其超低功耗和高可靠性成为嵌入式系统的理想选择。...
美亚光电:截至2月底,公司股东... 证券之星消息,美亚光电(002690)03月02日在投资者关系平台上答复投资者关心的问题。 投资者提...
2026年1250千瓦稳压器优... 在工业生产领域,电压稳定是保障设备连续运行、降低生产损耗的核心需求,1250千瓦稳压器作为大型工业场...