科技应用场景的不断拓展,让半导体行业始终保持着旺盛的创新活力。近期,多家芯片原厂相继发布了旗下的重磅新品,涵盖了存储传输、智慧感知、电源管理、电机驱动及传感器等多个核心领域。
这些新品不仅在性能参数上实现了新的突破,更在提升集成度、降低功耗以及优化封装尺寸等方面做出了积极探索,旨在更好地适配从消费电子到工业机器人,再到AI服务器等日益多样化的终端需求。以下是近期推出的部分代表性芯片新品汇总,带大家一睹为快。
英集芯科技推出IPA511X/IPA521X系列温度传感器芯片,该系列芯片以JESD302-1A标准为基石,为DDR5 模块打造了高精准、高可靠的实时温度监控解决方案。

IPA511X/IPA521X集成高精度温度传感器,最高分辨率达0.25℃。即使在工业级温度范围(-40℃至125℃)内,仍能保持优异的3.0℃精度,满足各种严苛环境的应用需求。
IPA511X/IPA521X严格遵循JESD302-1A标准,通过数字接口实现毫秒级温度数据上报,为动态电压频率调整(DVFS)和散热策略优化提供了强有力参考,推动内存子系统从“被动散热”向“主动智能调控”的升级转变。

智微科技正式推出旗舰级硬件RAID控制器芯片JMS591。该芯片提供USB 20Gbps与eSATA双高速上行接口,可驱动最多五颗SATA硬盘,轻松构建120TB的聚合存储空间。并可在固态硬盘配置下实测顺序读写速度突破2000MB/s,完美适配NAS、私有云、安防存储、工作站及中小型服务器等多种场景。
相关阅读:
1、智微科技发布新一代硬件RAID控制器JMS591,多款20Gbps存储新品亮相
2、 数据安心存,感知您所想,智微科技×开酷科技2025联合新品发布会圆满落幕

开酷科技重磅发布新一代60GHz毫米波智慧感知芯片K60213。该芯片集成高性能雷达收发前端与先进信号处理算法,实现低功耗、高精度、多维度环境感知,在智慧家居、智慧空间、智慧家电及IoT领域树立全新标杆。
相关阅读:
1、数据安心存,感知您所想,智微科技×开酷科技2025联合新品发布会圆满落幕

美芯晟最新推出一款支持MPP 25W 、EPP 、BPP全协议兼容的无线充电RTX芯片MT5718,采用2.5mm×3.3mm 40-WLCSP小尺寸封装,支持60W无线充电及10W反向充电。
MT5718无线充电接收端芯片符合最新Qi2.2标准,采用电磁耦合技术,支持MPP、EPP与BPP全协议兼容。得益于先进的开发工艺,其封装尺寸仅为2.5mm×3.3mm。在特定私有协议下,该芯片最高可支持60W无线充电。其高功率密度与小型封装尺寸的设计极大缩小占板面积,有助于手机等电子设备实现更紧凑、轻薄的工业设计,从而为客户带来更具性价比的解决方案,可广泛应用于手机、充电宝、平板电脑等电子设备。

茂睿芯推出新一代智能功率级(SPS)产品MK684X系列(MK6840 & MK6841),这款产品延续多晶圆封装技术,进一步优化了两颗SGT MOSFET的Rdson以追求更高的效率,同时改进了驱动芯片,极大提高了电流上报精度(±3%)。除此之外,MK684X系列采用业界标准的新一代4mmx6mm QFN封装,其主要特征在于更高的功率密度和更紧凑的布局。
茂睿芯MK684X系列包括MK6840和MK6841,两颗产品封装尺寸完全一致,不同之处在于MK6841为MK6840的双面散热和通流的优化版,更加聚焦于在AI服务器供电模块(Module)上的应用。MK6841采用的双面散热的封装结构,在芯片正面有可以直接与电感相连的SW焊点,在保持其他性能不变的条件下尽可能提升其散热性能和效率。面对AI服务器日益激增的效率及稳定性的需求,MK6840和MK6841能适应各种复杂的应用场景,提供高效且稳定的供电能力。

OCP21371是为手机AMOLED量身定做的电源管理芯片,拥有三路输出电压AVDD、ELVDD、ELVSS,并且拥有一线通信,可编程输出电压;输出电流高达850mA。
OCP21371 是高度集成的 AMOLED 电源解决方案,该器件集成了两个升压转换器(AVDD、ELVDD)和一个负压降压转换器(ELVSS),适用于电池供电的产品。数字接口ASWIRE 引脚控制 AVDD的接通或关闭,ESWIRE引脚使 ELVDD 和 ELVSS 接通或关闭。OCP21371采用WLCSP-25B封装,可实现PCB空间的优化解决方案。

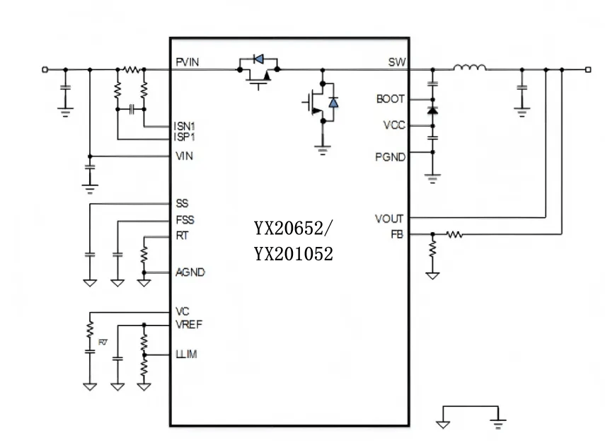
YX20652/YX201052是基于全集成功率MOSFET技术的高性能同步降压转换器。其中,YX20652支持4V至60V的宽输入电压范围,可提供高达10A的输出电流;而YX201052则进一步将输入电压范围拓展至4V–100V,输出电流为5A。两款器件均凭借全集成功率管设计与先进封装工艺,实现了高达97%的转换效率,大幅减少了外围元件数量与PCB布局面积,有助于系统实现更高功率密度与更优整体成本效益。
在功能方面,二者均支持并联与错相控制,便于系统功率的灵活扩展,并能有效抑制输入/输出纹波、优化电磁兼容性,从而显著提升系统稳定性与运行可靠性。两款转换器可广泛适用于工业自动化、通信电源、车载电子、高端计算设备及消费电子等高要求应用场景。

元芯半导体自主研发的YX47XX全系列电机驱动芯片可用于机器人关节模组,具备100V高输入电压能力。其中YX4725芯片集成了无损电流检测技术,解决了传统电阻电流检测所需外部电阻尺寸大以及发热严重等痛点,实现了高集成度、高精度和无损的全波型电流检测,有效提升了系统电能转换效率,大大的缩小了电机系统的尺寸,可以应用于机器人灵巧手等场景。
在此基础上,为进一步满足机器人关节电机小型化和高能效需求,元芯半导体进一步推出了高集成度的三相电机驱动芯片YX4735。YX4735集成了三相半桥驱动、三相全波段电流检测和运放、温度检测和过温保护、过流和短路保护、以及故障报警功能等,以更高的集成度极大地简化了模组的尺寸,提高了机器人电机驱动系统的安全和可靠性。同时,元芯的驱动芯片既可以驱动硅Si功率管,也可以驱动氮化镓GaN功率管, 可以实现机器人关节模组两种方案的无缝切换。

士兰微电子新一代“二合一”IPM 智能功率模块 DIP-T46,面向家电变频应用将压缩机与风机两路逆变拓扑首次集成于单一模块内,使两路系统可共用一个散热器,从源头减少物料与装配环节,降低成本并释放PCB与结构空间。
该模块提供 15A+5A、10A+5A 等规格组合,采用先进 IGBT 技术以降低开关与导通损耗,提升高频工况效率,并有助于减小小功率运行噪音与振动;同时具备 2000Vrms/min 绝缘等级与全塑封封装,强化在高温、潮湿、灰尘等复杂环境下的可靠性与寿命。目前产品已在空调外机、热泵干衣机、洗烘一体机等场景落地,为家电整机实现降本、增效与小型化提供了更简洁的系统方案。

南芯科技推出 24V 全新高性能同步降压转换器系列产品 SC813XX。该系列产品支持 4-24V 宽电压输入,4A/6A/8A 三个电流档位。在仅 4mm2 的超小封装尺寸下,依然具备持续 8A 的输出电流能力;转换效率高,可显著减少 IC 发热;采用创新改进型 RBCOT 架构,响应速度快,可实现远超同类竞品的负载瞬态性能;99.5% 的最大占空比配合低 RDSON,支持直通模式,电压跌落损耗小。SC813XX 系列可广泛应用于显示器、USB 拓展坞、适配器、路由器、智能设备等,助力实现更高性能的紧凑型电源解决方案。
纵观以上近期发布的芯片新品,不难看出,“高集成度”、“高能效”以及“小型化”依然是当前技术演进的主旋律。无论是为智能家居和移动设备提供更便捷的交互与续航体验,还是为机器人与算力设施提供更强劲的驱动支持,这些创新成果都为下游应用的升级提供了坚实的底层动力。
随着市场需求的不断变化与技术的持续迭代,未来我们有理由期待更多具备差异化竞争力的国产芯片问世,持续推动电子信息产业的蓬勃发展。