今天一次性讲透5种MOS管驱动方案,从入门到大厂级隔离驱动,全是干货经验,建议点赞收藏!
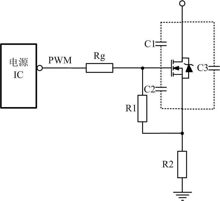
方案一:电源IC直驱

这是最常见的方案,直接用电源管理芯片的PWM输出驱动MOS管。
但这里有三个致命细节:
1️⃣ 查手册! 不同IC的峰值驱动电流差异巨大,有的只有几十mA,有的能到几A。驱动电流不够,MOS管开通慢,开关损耗直接爆炸。
2️⃣ 看Ciss! MOS管的输入电容(C1、C2)越小越好。电容大了,IC驱动能力跟不上,开关速度上不去,管子发热严重。
3️⃣ 上升沿震荡! 驱动能力不足时,栅极电压爬升慢,容易在开关过程中产生高频振荡,EMI超标是小事,管子击穿就完了。
适用场景: 小功率、低成本、对效率要求不高的场合。
方案二:推挽驱动
当IC驱动能力不够怎么办?

上推挽!
这个电路用两个互补三极管组成图腾柱结构,把驱动电流能力提升数倍。
核心优势:
充电快: 图腾柱低阻抗特性,对栅极电容充电速度极快
关断更快: 虽然导通稍微慢一点点,但关断速度大幅提升
抑制振铃: 避免上升沿的高频振荡,EMI表现更好
关键提醒: 推挽管的选型要注意速度,用高频开关管,别拿普通8050/8550凑合,否则延迟太大适得其反。
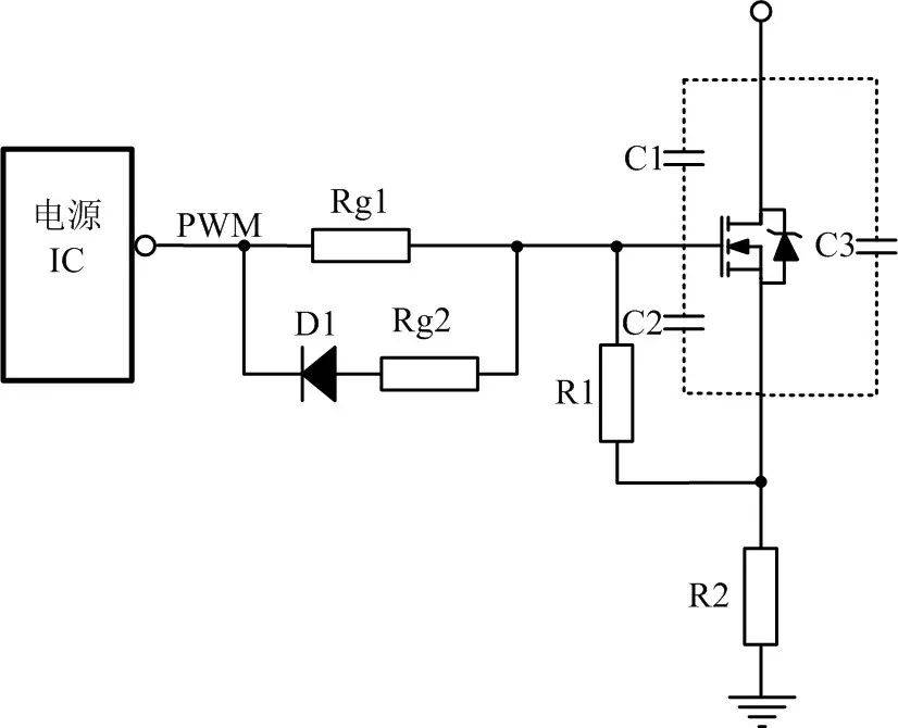
方案三:加速关断电路

MOS管的应用铁律:慢点开,快点关!
为什么?因为关断过程中,如果Vds已经上升但Id还没降到零,交叉损耗巨大,管子瞬间发热。
解决方案: 在驱动电阻上并联快恢复二极管+电阻的组合。
D1(快恢复二极管): 关断时给栅极电荷提供低阻抗泄放通道
Rg2: 限流保护,防止瞬间大电流烧毁电源IC
结果: 关断时间大幅缩短,交叉损耗降低,可靠性提升

进阶玩法: 用PNP三极管做有源泄放。
Q1导通时直接把栅极电容短接到地,电荷泄放速度极快!而且电流不经过电源IC,彻底避免驱动芯片被反灌电流损坏。
这个方案在大功率电源里几乎是标配!
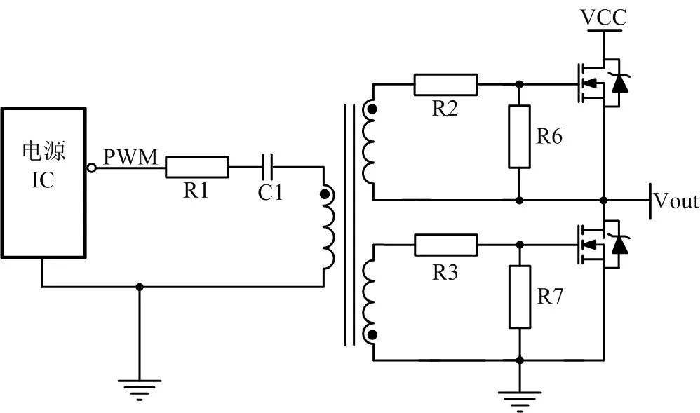
方案四:隔离驱动
做半桥/全桥拓扑时,

高端MOS管的驱动是个头疼问题——它的源极电位在开关过程中不断变化,地电位驱动根本用不了。
变压器驱动是经典解决方案:
C1隔直电容: 阻断直流分量,防止变压器磁芯饱和;同时传递交流驱动信号
R1阻尼电阻: 抑制PCB寄生电感与C1形成的LC振荡,避免振铃损坏栅极
设计要点:
变压器要选对磁芯,保证足够的伏秒积
绕组匝比根据驱动电压幅度计算
PCB布局时,驱动回路面积越小越好,寄生电感是杀手
总结
